PK 07 / rám formy 496x796
Opěrná vyhazovací deska
- KE STAŽENÍ 2
- PARAMETRY
- VYHLEDÁVÁNÍ
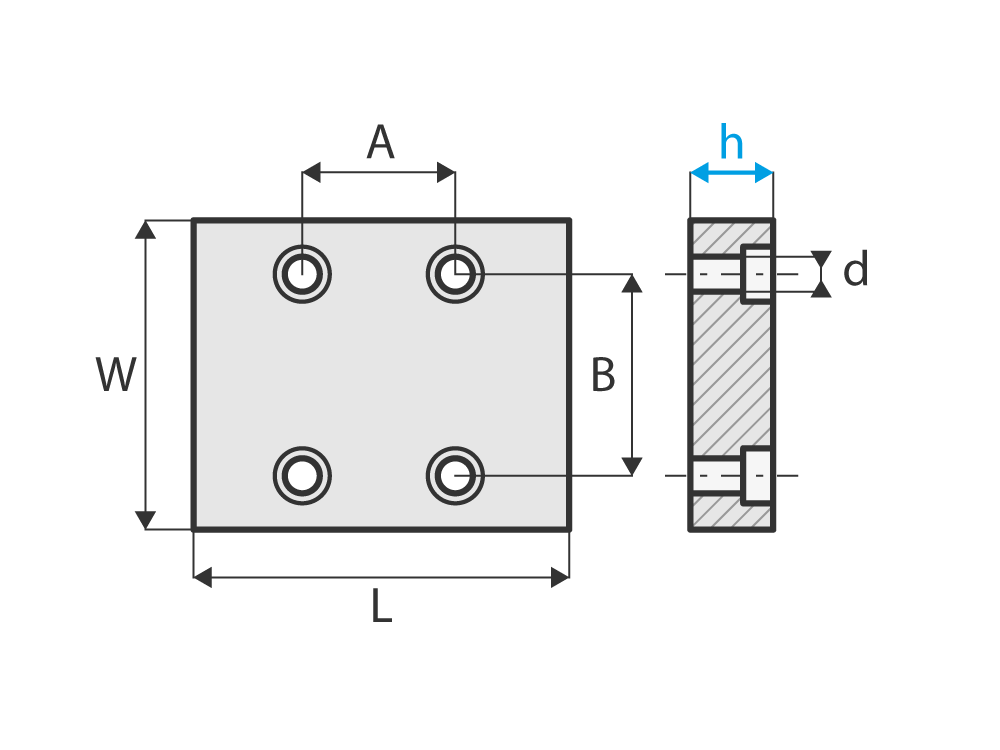
| kód | W | L | h | s | A | B | D | d | m | materiál | |
|---|---|---|---|---|---|---|---|---|---|---|---|
| PK 07-496*796*36/1730 | 324 | 796 | 36 | 15,5 | 710 | 288 | M12 | 1.1730 | přihlaste se pro zobrazení cen | ||
| PK 07-496*796*36/2312 | 324 | 796 | 36 | 15,5 | 710 | 288 | M12 | 1.2312 | přihlaste se pro zobrazení cen |