PK 75 / rám formy 496x996
Opěrná vyhazovací deska
- KE STAŽENÍ 2
- PARAMETRY
- VYHLEDÁVÁNÍ
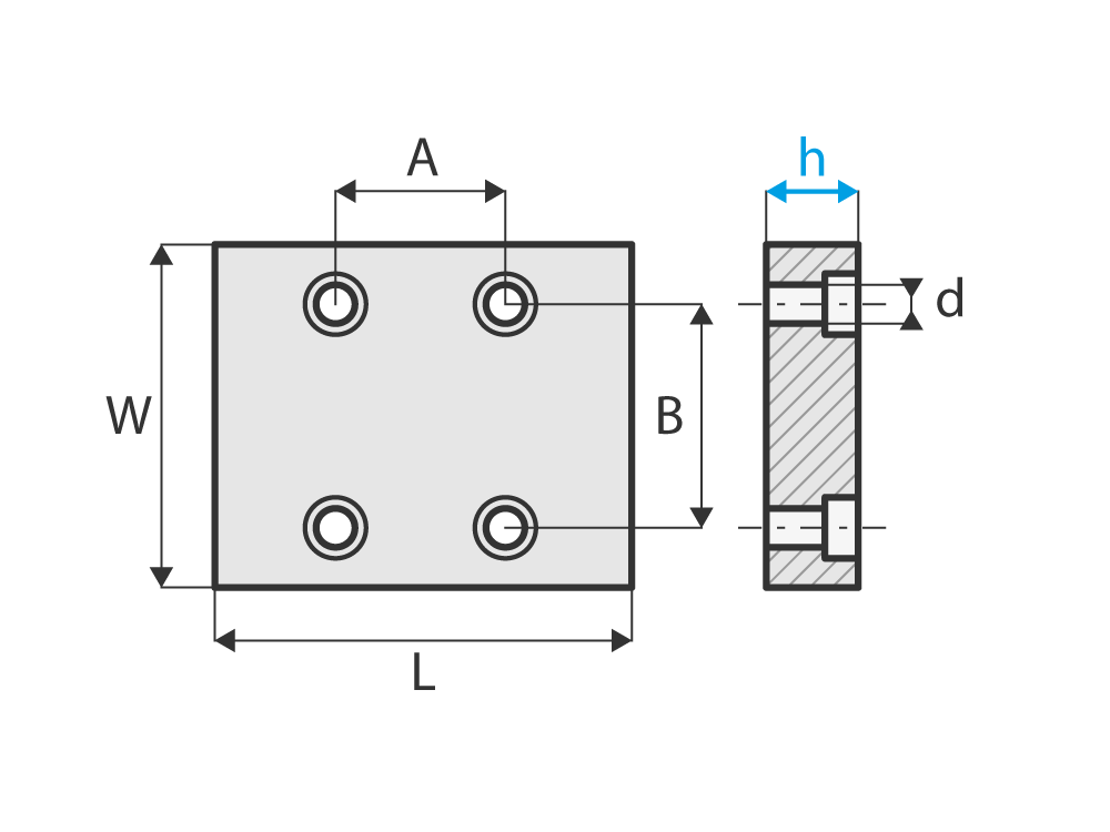
| kód | W | L | h | s | A | B | D | d | m | materiál | |
|---|---|---|---|---|---|---|---|---|---|---|---|
| PK 75-496*996*36/1730 | 264 | 996 | 36 | 15,5 | 910 | 228 | M12 | 1.1730 | přihlaste se pro zobrazení cen | ||
| PK 75-496*996*36/2312 | 264 | 996 | 36 | 15,5 | 910 | 228 | M12 | 1.2312 | přihlaste se pro zobrazení cen |