PK 75 / rám formy 396x596
Opěrná vyhazovací deska
- KE STAŽENÍ 2
- PARAMETRY
- VYHLEDÁVÁNÍ
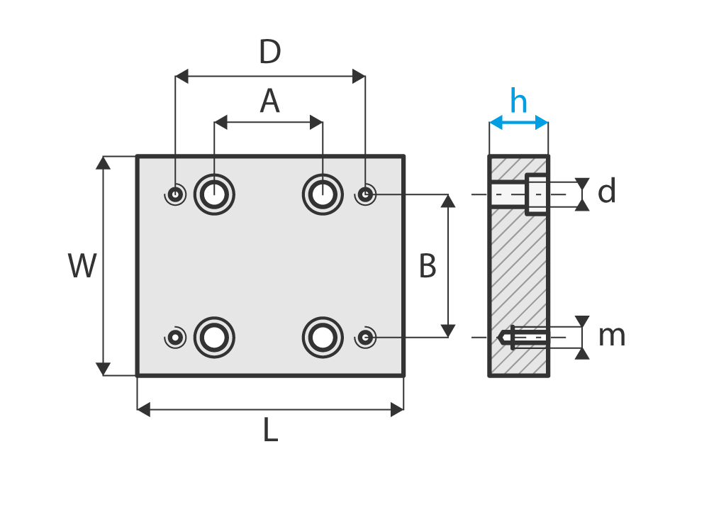
| kód | W | L | h | s | A | B | D | d | m | materiál | |
|---|---|---|---|---|---|---|---|---|---|---|---|
| PK 75-396*596*27/1730 | 220 | 596 | 27 | 13 | 514 | 192 | 560 | M10 | M4 | 1.1730 | přihlaste se pro zobrazení cen |
| PK 75-396*596*27/2312 | 220 | 596 | 27 | 13 | 514 | 192 | 560 | M10 | M4 | 1.2312 | přihlaste se pro zobrazení cen |