PKA 12 / rám formy 96x96
Upínací deska přesazená přes délku rámu
- KE STAŽENÍ 2
- PARAMETRY
- VYHLEDÁVÁNÍ
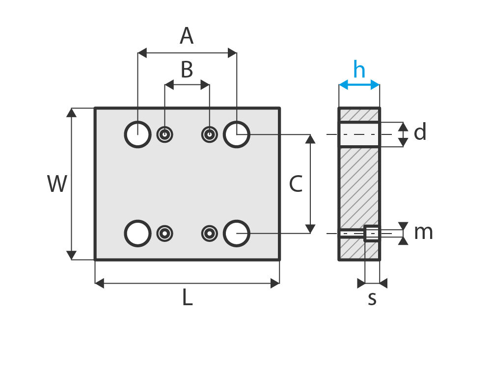
| kód | W | L | h | s | A | B | C | d | m | materiál | |
|---|---|---|---|---|---|---|---|---|---|---|---|
| PKA 12-96*96*17/1730 | 96 | 156 | 17 | 9 | 74 | 24 | 74 | 14H7 | M8 | 1.1730 | přihlaste se pro zobrazení cen |
| PKA 12-96*96*17/2312 | 96 | 156 | 17 | 9 | 74 | 24 | 74 | 14H7 | M8 | 1.2312 | přihlaste se pro zobrazení cen |