PK 05 / rám formy 346x346
Rozpěrka
- POPIS
- KE STAŽENÍ 2
- PARAMETRY
- VYHLEDÁVÁNÍ
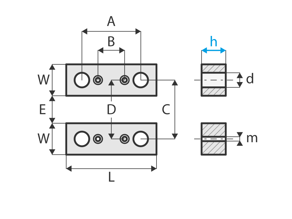
| kód | W | L | h | A | B | C | D | E | d | m | materiál | |
|---|---|---|---|---|---|---|---|---|---|---|---|---|
| PK 05-346*346*56/1730 | 43 | 346 | 56 | 294 | 224 | 294 | 294 | 260 | 30H7 | M12 | 1.1730 | přihlaste se pro zobrazení cen |
| PK 05-346*346*66/1730 | 43 | 346 | 66 | 294 | 224 | 294 | 294 | 260 | 30H7 | M12 | 1.1730 | přihlaste se pro zobrazení cen |
| PK 05-346*346*76/1730 | 43 | 346 | 76 | 294 | 224 | 294 | 294 | 260 | 30H7 | M12 | 1.1730 | přihlaste se pro zobrazení cen |
| PK 05-346*346*86/1730 | 43 | 346 | 86 | 294 | 224 | 294 | 294 | 260 | 30H7 | M12 | 1.1730 | přihlaste se pro zobrazení cen |
| PK 05-346*346*96/1730 | 43 | 346 | 96 | 294 | 224 | 294 | 294 | 260 | 30H7 | M12 | 1.1730 | přihlaste se pro zobrazení cen |
| PK 05-346*346*116/1730 | 43 | 346 | 116 | 294 | 224 | 294 | 294 | 260 | 30H7 | M12 | 1.1730 | přihlaste se pro zobrazení cen |
Máte-li zájem o zakoupení pouze jedné rozpěrky, kontaktujte nás.