PK 07 / rám formy 95x95
Opěrná vyhazovací deska
- KE STAŽENÍ 2
- PARAMETRY
- VYHLEDÁVÁNÍ
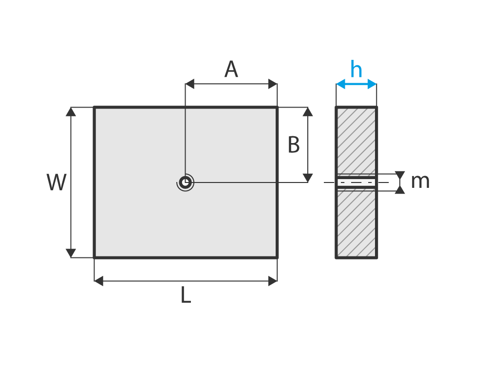
| kód | W | L | h | s | A | B | D | d | m | materiál | |
|---|---|---|---|---|---|---|---|---|---|---|---|
| PK 07-95*95*9/1730 | 54 | 95 | 9 | M8 | 1.1730 | přihlaste se pro zobrazení cen | |||||
| PK 07-95*95*9/2085 | 54 | 95 | 9 | M8 | 1.2085 | přihlaste se pro zobrazení cen | |||||
| PK 07-95*95*9/2312 | 54 | 95 | 9 | M8 | 1.2312 | přihlaste se pro zobrazení cen |