PKA 75 / rám formy 596x646
Opěrná vyhazovací deska
- KE STAŽENÍ 2
- PARAMETRY
- VYHLEDÁVÁNÍ
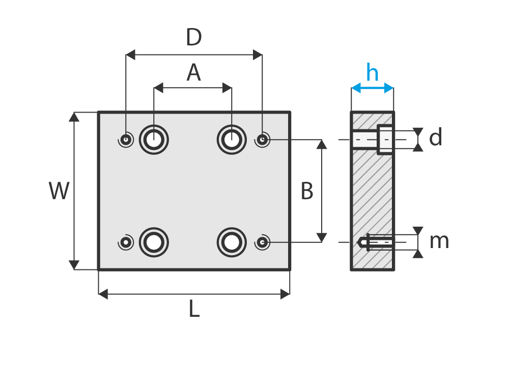
| kód | W | L | h | s | A | B | D | d | m | materiál | |
|---|---|---|---|---|---|---|---|---|---|---|---|
| PKA 75-596*646*36/1730 | 368 | 646 | 36 | 13 | 490 | 330 | 608 | M12 | M5 | 1.1730 | přihlaste se pro zobrazení cen |
| PKA 75-596*646*36/2312 | 368 | 646 | 36 | 13 | 490 | 330 | 608 | M12 | M5 | 1.2312 | přihlaste se pro zobrazení cen |