PK 06 / rám formy 346x646
Kotevní vyhazovací deska
- KE STAŽENÍ 2
- PARAMETRY
- VYHLEDÁVÁNÍ
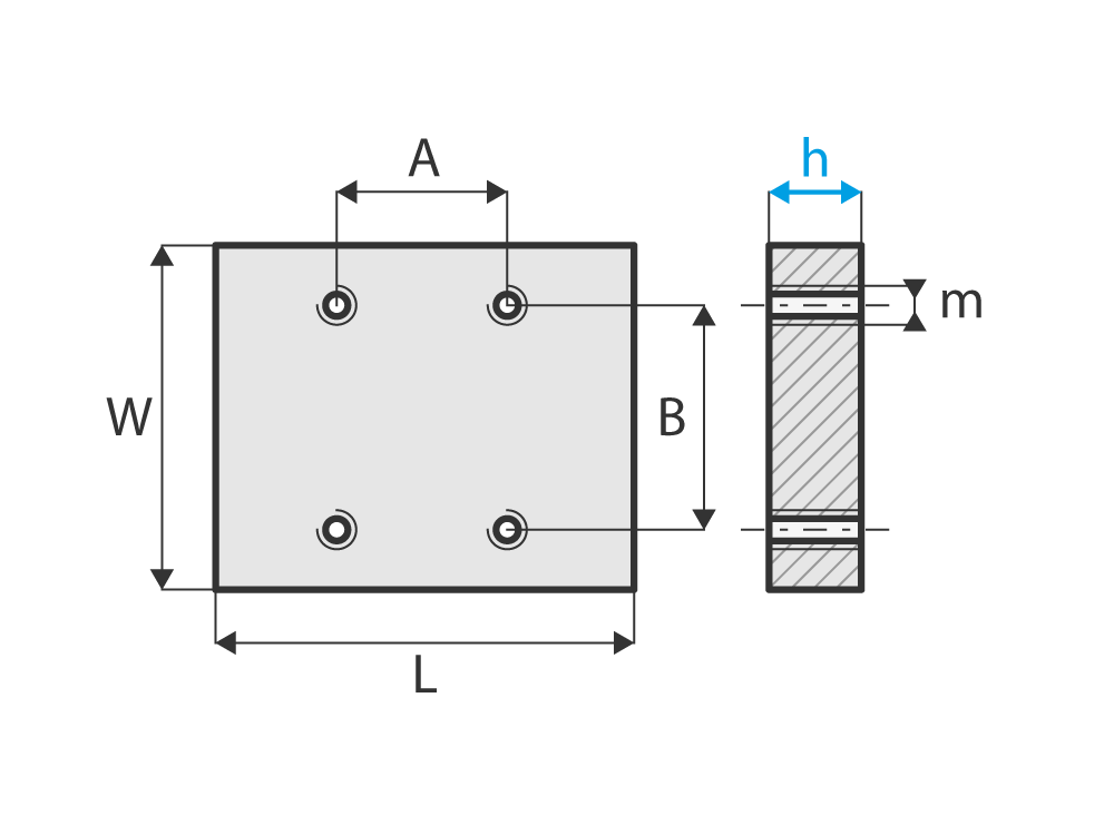
| kód | W | L | h | A | B | m | materiál | |
|---|---|---|---|---|---|---|---|---|
| PK 06-346*646*22/1730 | 218 | 646 | 22 | 570 | 190 | M10 | 1.1730 | přihlaste se pro zobrazení cen |
| PK 06-346*646*27/1730 | 218 | 646 | 27 | 570 | 190 | M10 | 1.1730 | přihlaste se pro zobrazení cen |