C3010-13
            
            
                  Datumovka - Dny
- POPIS
- KE STAŽENÍ 1
- PARAMETRY
- VYHLEDÁVÁNÍ
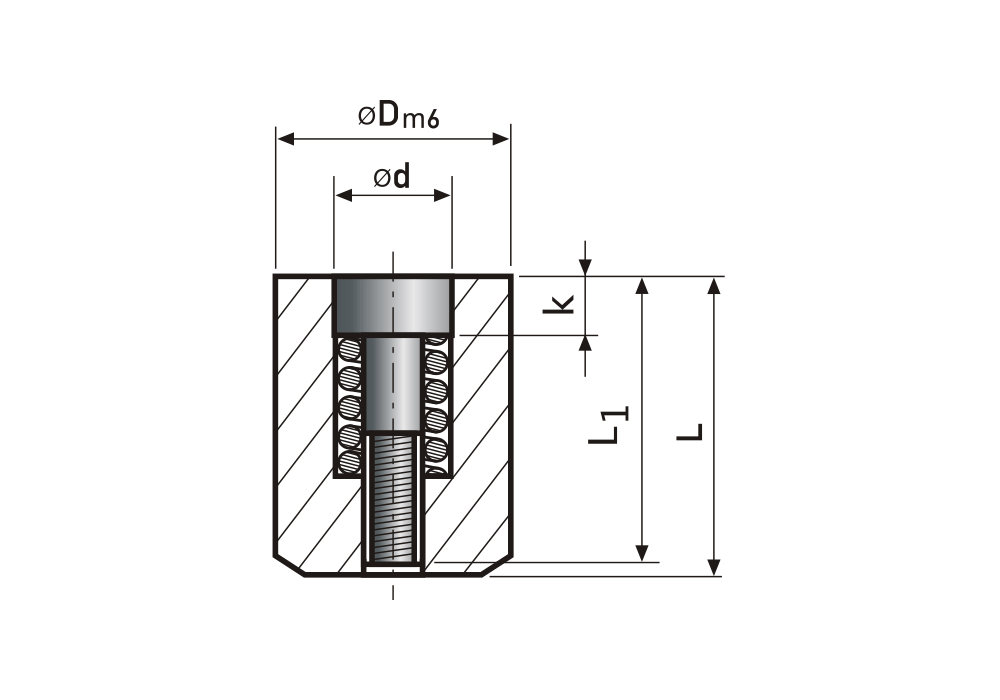
| kód | D | L | d | L1 | g | k | a* | |
|---|---|---|---|---|---|---|---|---|
| C3010-13/3 | 3 | 4 | 1,5 | 3,8 | M0,8x0,2 | 0,9 | 0,3 | přihlaste se pro zobrazení cen | 
| C3010-13/4 | 4 | 5 | 2,1 | 4,8 | M1,1x0,25 | 1,2 | 0,3 | přihlaste se pro zobrazení cen | 
| C3010-13/5 | 5 | 8 | 3,1 | 7,8 | M1,6x0,2 | 2 | 0,4 | přihlaste se pro zobrazení cen | 
| C3010-13/6 | 6 | 8 | 3,1 | 7,8 | M1,6x0,2 | 2 | 0,4 | přihlaste se pro zobrazení cen | 
| C3010-13/8 | 8 | 10 | 4,4 | 9,8 | M2,3x0,25 | 2,5 | 0,4 | přihlaste se pro zobrazení cen | 
| C3010-13/10 | 10 | 12 | 5,2 | 11,8 | M2,5x0,35 | 3 | 0,4 | přihlaste se pro zobrazení cen | 
| C3010-13/12 | 12 | 14 | 6,2 | 13,8 | M3x0,35 | 3 | 0,6 | přihlaste se pro zobrazení cen | 
| C3010-13/16 | 16 | 14 | 8,2 | 13,8 | M4x0,35 | 3,5 | 0,6 | přihlaste se pro zobrazení cen | 
| C3010-13/20 | 20 | 16 | 11 | 15,8 | M4x0,35 | 4,5 | 0,8 | přihlaste se pro zobrazení cen | 
 
               
                     
                   
                   
                   
                   
                  